
P产品分类RODUCT CATEGORY




美国D&S发射率测量仪AE1/RD1重复性:±0.01快速测量:预热约30分钟,每1.5分钟测量一次发射率
产品型号:
厂商性质:经销商
更新时间:2025-10-31
访 问 量:373
立即咨询
联系电话:
美国 D&S 发射率测量仪 AE1/RD1

重复性: ± 0.01
快速测量:预热约30分钟,每1.5分钟测量一次发射率。
操作简单: 探测器采用电加热设计,无须加热样品,也不需要测量温度。
价格实惠: 相较于一些用比较法测量发射率的仪器便宜很多AE1/RD1辐射率仪测量材料的总半球发射率,测量仪仅对辐射热传输响应,并且输出电压和发射率成线性关系。D&S的标度数字电压表RD1是AE1辐射率仪读数器,RD1通过可调旋钮来设定电压读数和发射率标准体的电压一致,当AE1测量待测样品上时,RD1就能直接读出发射率。
把该仪器放在高发射率标准体(近似黑体)上,设定RD1来表示发射率标准参数;然后仪器就会根据这个标准,计算并直接读出RD1上该被测目标的发射率。
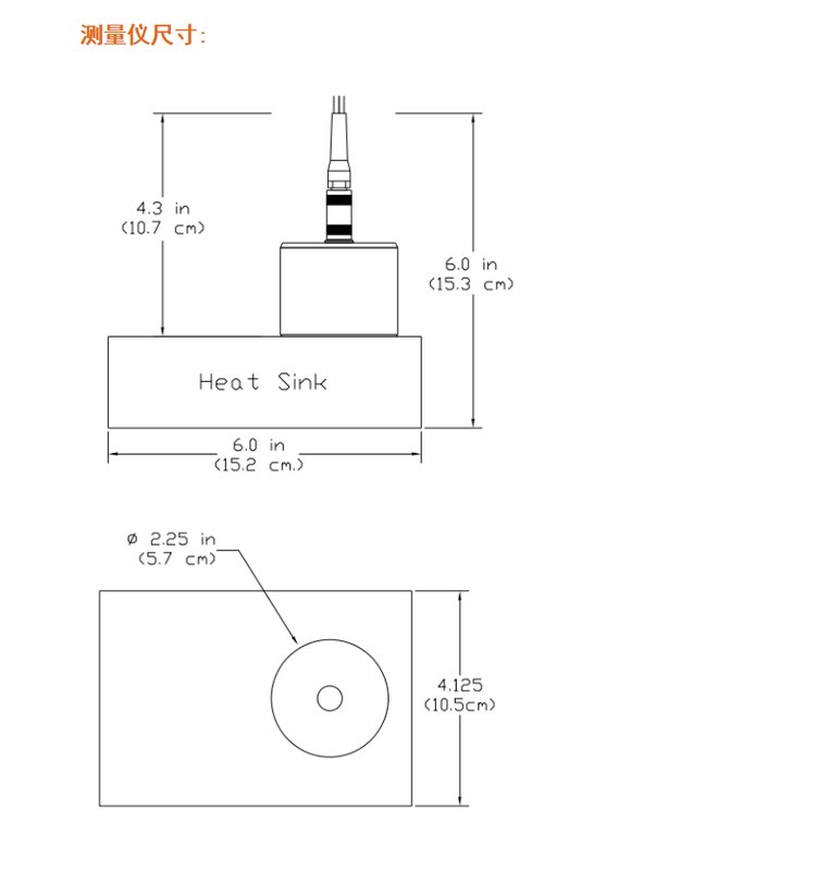
AE1测量样品最小直径为2.25英寸(5.7cm)。可选附件AE-AD1和AE-AD3探测头能使测量样品最小直径为1.0英(2.54cm),可以为圆柱形表面和几乎任何几何形状面需求的客户提供定制探头。对小直径圆柱形面样品测量,可以测量平行放置的多个样品。如需定制测量头,请来电垂询价格!
发射率通过两个步骤获取:
1.把辐射计放在高发射率标准体上,设定RD1来表示发射率;
2.把辐射计放在待测样品上并直接读出RD1上的发射率。
.
技术参数:
读数器: D&S 微型数字伏特计,型号RD1.
线性关系: 该测量仪输出和发射率成线性关系,小于±0.01
输出: 2.4 毫伏→在材料发射率为0.9,材料温度为25℃时
测量时间: 10 s
加热装置: 用来加热使标准体和待测样品温度一致。
样品温度: 130F。样品温度和标准体温度必须一致
漂移: 输出值可能随着外界环境的变化而改变,但是这些影响在本仪器这么短的检测时间内可以忽略。
标准体: 随机提供两个高发射率标准体和两个低发射率标准体。其中一套标准体可以用来测量时使用,另一套标准体备用并作为参比。
电源: 通用交流电源适配器100-240V,50-60Hz,12V直流输出
AE1辐射率仪:包括辐射率仪、电源线、加热装置,两个高发射率标准体和两个低发射率标准体,技术手册及操作指南。
可选配件: Model AE-AD1 - 测量直径最小可至1.5 inches(3.8 cm)的样品。
Model AE-AD3 - 测量直径最小可至1.0 inches(2.54 cm)的样品。
Model AE-ADP - 测量适配器,端口内直径为1.5inches(3.8cm),用来测量较小尺寸、低导热性、大曲率(>2 inches)圆柱表面或者粗糙结构表面的样品材料
Custom Adapters – 定制测量适配器,用来测量圆柱体表面或者其它形状设计表面
Battery Pack – 为方便客户便携式操作,我们还提供锂电池电池版本,可给该测量仪连续供电12小时左右,有电池电量指示,可充电。
https://www.zmsjwood.com
版权所有© 2026 bat365(中文)官方网站-欢迎莅临 All Rights Reserved 备案号:
技术支持:化工仪器网 管理登录 sitemap.xml